当前位置:首页 > 图集 > 05SG109-1图集在线浏览_SG109-1图集免费下载

05SG109-1图集又称SG109-1图集
05SG109-1图集主要讲民用建筑工程设计常见问题分析及图示-结构设计原则、荷载及荷载效应组合和地震作用、地基基础。
05SG109-1图集为民用建筑工程设计中遇到的普遍存在的影响工程质量,或执行规范规程不到位或常常出现偏差,或对规范规程中强制性条文原则不够清晰,或遇到的各类结构体系在超高、超限或界限边缘的一些难于判断的问题的分析及建议改进的措施。
05SG109-1图集采用图文并茂的编制方式,用于直观地指导设计人员正确理解和应用。
目录编制说明
结构设计原则
1 结构设计原则
1.1工程设计管理
1.2建筑抗震设计原则
荷载及荷载效应组合和地震作用
2 荷载及荷载效应组合和地震作用
2.1楼、屋面荷载取值
2.2雪荷载取值
2.3风荷载取值
2.4荷载效应组合
2.5地震作用
地基基础
3 地基基础
3.1勘察报告应用
3.2地基处理
3.3地基和基础计算
3.4天然地基基础设计
3.5桩基础
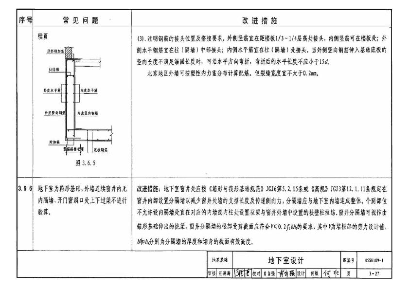
3.6地下室设计