当前位置:首页 > 图集 > 02J401图集pdf免费下载,02J401图集在线查看

02J401图集pdf免费下载,02J401图集在线查看

图集 2020/7/28 13:34:58 22189 浏览
导读:02J401、02(03)J401:钢梯(含2003年局部修改版),十六图集吧为您提供02J401图集pdf免费下载,02J401图集在线查看等。

02J401图集介绍

02J401图集对下列图集进行了修编:

作业台钢梯及栏杆87J432、屋面检修钢梯89J431、吊车钢梯89J433、钢螺旋梯88J434、钢梯96J435。

02J401图集还增加了板式钢螺旋梯和住宅户内钢梯内容。

02J401图集适用于一般民用与工业建筑。可供设计选用及制作与施工安装。

说明

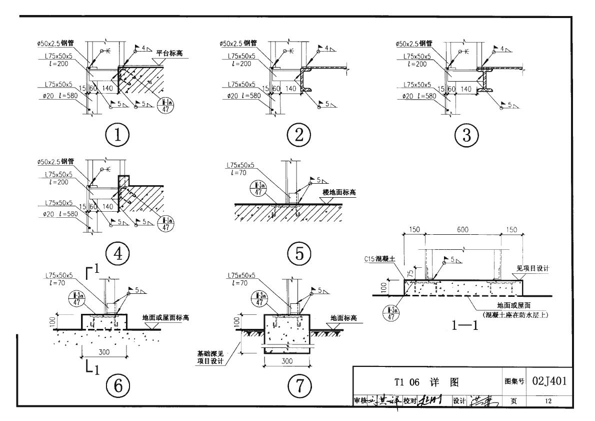
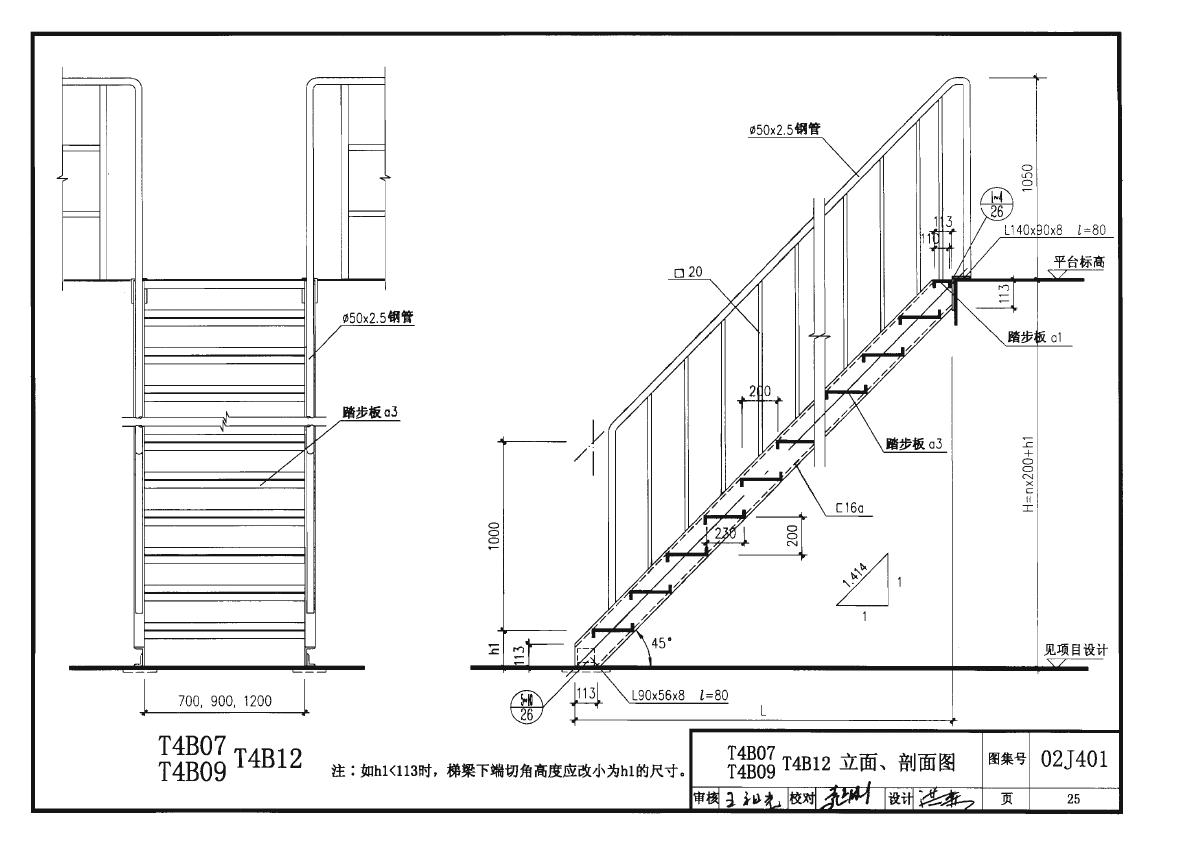
普通钢梯

屋面检修钢梯

吊车钢梯

中柱式钢螺旋梯

板式钢螺旋梯

住宅户内钢梯

02J401图集下载地址

暂无下载
声明:本站收录的资源均由网友投稿或转载于其他网站及网盘平台,本站不进行任何扫面/翻录/PJ上传!所有资源仅供学习参考!若侵犯您的权益,请及时联系站长。
转载请保留"本内容来自:十六图集吧
发布网址:http://www.xingfc.com/tuji/27.html 02J401图集pdf免费下载,02J401图集在线查看"

热门标签