当前位置:首页 > 图集 > 15G107-1图集pdf免费下载_15G107-1图集电子版在线查看

15G107-1图集《装配式混凝土结构表示方法及示例(剪力墙结构)》国家建筑标准设计图集为建筑产业现代化国家建筑标准设计专项编制项目,本图集适用于非抗震和抗震设防烈度为6~8度地区的装配式混凝土剪力墙结构住宅施工图的设计,其他类型建筑可参考使用。
15G107-1图集包括装配式混凝土剪力墙结构施工图表示方法及示例两部分内容,其中,施工图表示方法包括基础顶面以上的预制钢筋混凝土剪力墙外墙板、预制钢筋混凝土剪力墙内墙板、钢筋桁架混凝土叠合板、预制钢筋混凝土板式楼梯、预制钢筋混凝土阳台板、空调板及女儿墙等预制构件的表达形式,示例为一个完整的装配式混凝土剪力墙结构施工图示例。15G107-1图集的示例与建筑专业图集15J939-1《装配式混凝土结构住宅建筑设计示例(剪力墙结构)》的示例四选取同一工程项目进行编制,方便专业之间相互配套使用及参考。
15G107-1图集符合当前国家建筑产业现代化发展的现实需求,总说明及设计示例所编内容较全面,充分体现装配式混凝土剪力墙结构施工图的制图规则和图纸深度要求。15G107-1图集的制图规则,既是设计人员完成装配式混凝土剪力墙结构施工图的依据,也是施工、构件加工、监理人员准确理解和实施装配式混凝土剪力墙结构施工图表示方法的依据。
目录
总说明
第一部分装配式混凝土结构(剪力墙结构)施工图表示方法制图规则
1总则
2预制混凝土剪力墙施工图制图规则
剪力墙平面布置图示例
后浇段配筋表示例
3叠合楼盖施工图制图规则
叠合楼盖平面布置图示例
4预制钢筋混凝土板式楼梯施工图制图规则
预制钢筋混凝土板式楼梯选用示例
5预制钢筋混凝土阳台板、空调板及女儿墙施工图制图规则
第二部分装配式混凝土剪力墙结构设计施工图示例
图纸目录
装配式结构专项说明
11.500~57.900剪力墙平面布置图
57.900~60.900剪力墙平面布置图
女儿墙平面布置图(部分)
11.500~65.200后浇段及剪力墙柱表(部分)
5.700~57.900板结构平面图
5.700~57.900水平后浇带平面布置图
2.900楼梯平面图、5.800~58.000楼梯平面图
61.000楼梯平面图、楼梯剖面图
YWQ7模板图
YWQ7配筋图
YNQ11模板图
YNQ11配筋图
DLB5预制底板模板图
DLB5预制底板配筋图
GQ模板图
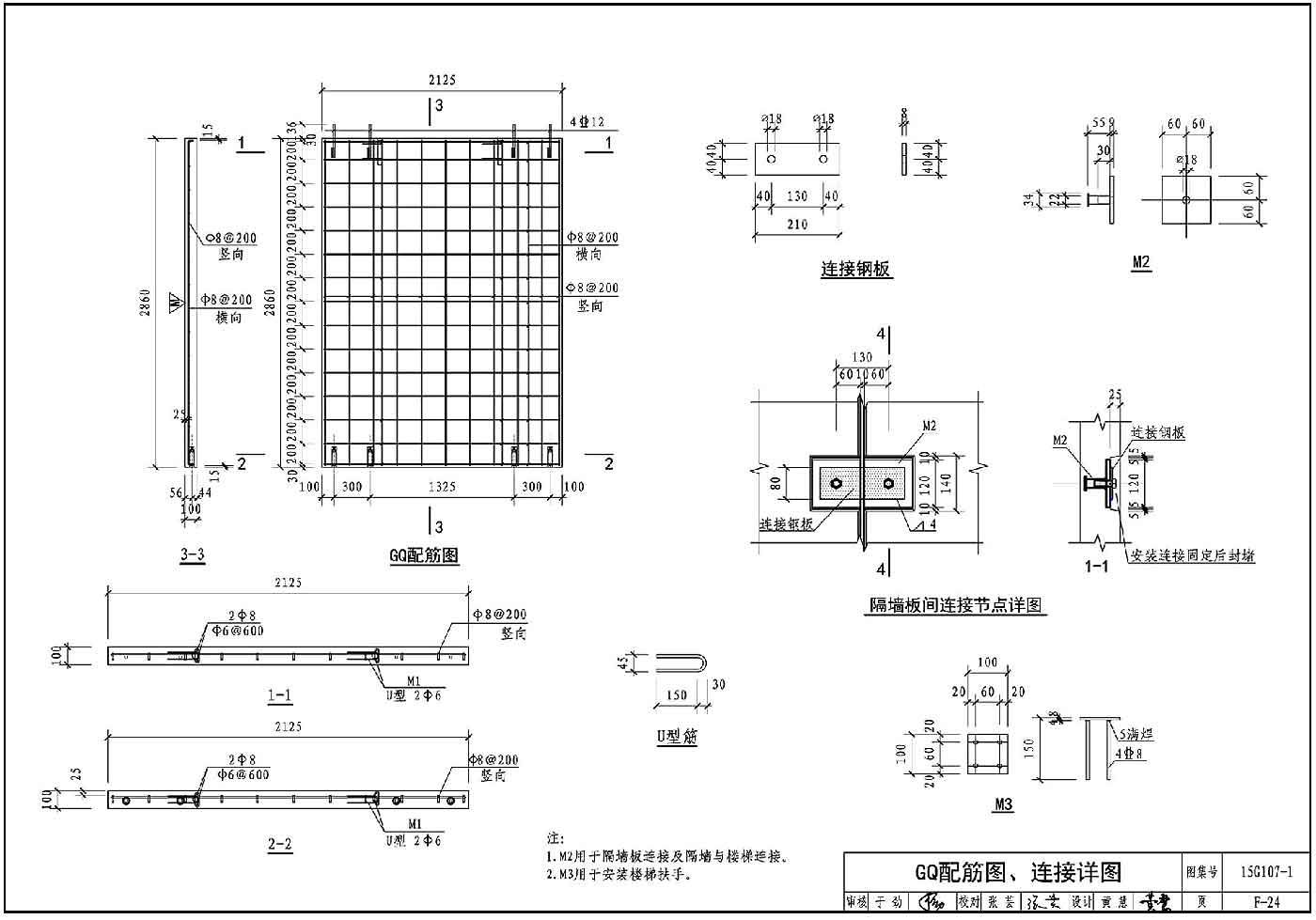
GQ配筋图、连接详图
标准层节点详图(部分)
顶层节点详图(部分)